
木門成為家居產品的一類形態,根本功能是分開與庇護,好看、環保、靜音等功能也逐漸被市場推崇。木門固然不過一種單品,但其品種繁瑣、風格充足,構造方面也各具優勢、大有不同。本文將為大家全面梳理當下木門的首要分類,并通過圖解等形態將木門的常見構造給予闡明。
01 常見的木門分類有哪類
01-1 按材質與面材分
按材質分:首要有夾板門、油漆門、生態門、原木拼裝門、模壓門、實木復合門等。
按裝潢薄木分:首要有胡桃木、櫻桃木、沙比利、紅木、楓木、柚木、黑檀、花梨、紫薇、斑馬、橡木、楸木、水曲柳、鐵桃木等。
(1)沙比利

學名筒狀非洲棘,俗稱幻影木。產于非洲寒帶地方。木紋交織,偶爾有波狀紋理,紋理擁有閃光感和立體感給人以華貴文雅的感覺,以紅褐色的色澤可渲染裝潢場合的喜慶、強烈的氛圍。
(2)核桃木

核桃木往往為直木紋,亦會帶有波紋狀或曲線形木紋,構成具聚焦力、具裝潢功效的圖形。核桃木是一類中等密度的堅固硬木料,抗彎強度和斷裂強度適中,亦是一類最經用的木料。
(3)櫻桃木

散布于美國東部逐個地方,櫻桃木的心材色彩由艷赤色至棕赤色,日曬后色彩變深。櫻桃木擁有詳盡勻稱直紋,紋理光滑,天生含有棕色樹心黑點和微小的樹膠窩。通常用來低檔的屋室裝潢資料。

松木與杉木

拼紋胡桃與貴族紅
01-2 按性能與開始方法分
按性能分首要有外門(入戶門),內門(寢室門、書齋門、廚房門、浴衛門),防火門,四防門(防火、防盜、隔音、防 潮),隔聲門,管道井門,另有車庫門、保險門、防射線門;公寓賓館的房間門、浴衛門、走廊門、辦公室用門、醫療用門等。



按開始方法分首要有推拉門(滑道門)、轉軸門、折疊門、卷閘門等。



01-3 按門扇數與外表解決分
按扇數目劃為單開門、雙開門、子母門。單開門顧名思義就是唯獨一扇門進行開合。
雙開門,兩扇門寬度相近,一扇門裝鎖體及把手,經常開始,為活動門;另一扇門裝高低插銷,經常關閉,為固定門。

子母門,一扇門寬,稱為母門,另一扇門較窄,稱為子門;母門裝鎖體及把手,經常開始;子門裝高低插銷,經常關閉。

按外表解決方法劃為免漆門、油漆門。免漆門顧名思義就是不須要再油漆的木門。
油漆門,即在木門制造的流程中須要對木門進行油漆涂裝。

油漆門

免漆門
01-4 按門口形態與構造分
按門口形態分平口門、T型門。
平口門,門的邊界是平的,傳統的門整個是平口門,因為鎖具開始的原因,門與門框之間需有3毫米的裂縫,密閉隔音成效不好,況且也牽連好看。

T型口門,門的邊界是T型口。凸出的一些壓在門套上,并配有密封膠條,隔音,保溫成效較為好。獨到的T型口設計加強了門板的堅固性。

按構造和工藝劃為平板門、鑲板門、拼板門、實拼門、鑲玻璃門、玻璃門等。
03 木門的部件與構造
03-1 常見木門的構造形態
(1)夾板門
將木柴拼成門骨架,接著在骨架的兩面膠合夾板。常見的膠合板有水曲柳、柚木、橡木等,厚度約4-6毫米。膠合板可整張或拼花釘之。夾板門簡單平滑,符合整潔衛生需要,惟夾板視表層和膠的品質而定,往往受潮易脫膠,日曬易起裂,不應用外門。
(2)油漆門
將木柴釘成門骨架邊框,內填蜂窩紙,接著在骨架的兩面用膠合板、中纖維板貼三聚氰胺裝潢紙、薄木皮等,外表采取油漆進行裝潢。

門芯架實拍

鋁蜂窩實拍

平板門剖面圖
(3)生態門
將木柴釘成門骨架邊框,內填蜂窩紙、鋁蜂窩,接著在骨架的兩面膠合三聚氰胺板、防火板、金屬板,用鋁型材封邊。這類資料都擁有綠色環保,吸水性極小,不易劃傷,耐磨性好的特征 。門套、門套線用鋁型資料。
(4)全實木門拼裝門
在實際出售市場中往往稱之為原木門或實木門。是用天然原木做門料,經下料、刨光、開榫、打眼、拼接定型等工序加工制造而成。

釘線工藝門實拍

釘線工藝門剖面圖
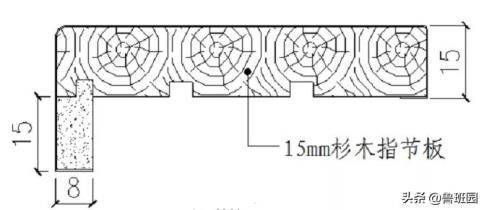
(5)實木復合門
采取經過干燥加工的杉木、松木、人造板等資料做門扇邊框,旁邊填充木質資料、蜂窩網構造或擁有優良隔音保溫性能的穿孔刨花板(橋洞力學板)。層基材應用中、高密度纖維板,外表貼各類綿薄木(實木皮)壓后制成。
(6)模壓空心門
是以實木或人造板做框架,兩面用裝潢模壓門板粘壓在框架上,簡稱:模壓門,構造簡潔,價錢較全實木門和實木復合門更為經濟實惠。


拼接工藝門實拍

組裝工藝門剖面圖
03-2 屋室木門的部件與構造
一套屋室木門含蓋門扇、門套、五金配件。此中門扇又稱門頁,含蓋門芯板、門挺、門橫、門蕊板;
門套含蓋門套線、門套板(主板)、門檔板(止口板)、防撞條;五金含蓋鉸鏈、鎖具、門吸、閉門器、貓眼等。


(1)門套(別名門框)
門套與門框本質上是一個概念;用來包裹門洞口并固定門扇開始用處。

A型門套

B型門套

C型門套
(2)推拉門、移門、隔斷門
推拉框、移門框是一個概念,它是包裹門洞口并固定門扇推拉用處,推拉門框通常有二扇一框、三扇一框、四扇一框等之別,有效墻厚在130mm下列不合適制造推拉門。


剖面示企圖
啞口套不需配門。用來裝潢性的門框(不含擋門條,含套板和口線)稱為啞口套;往往有單面線(稱“單啞口套”如窗套!雙面線的稱“雙啞口套或啞口套”)。
門套線是包裹墻體的裝潢線條,就是門套的壓條、卡條、檔條等一些。首要制造材質有實木、木塑、人造板、石膏、鋁合金、大理石等。
常用的門套線有6cm或7.5cm寬的L字型接口線條5cm、8cm或10cm寬的一字型雙卡條線條,有弧形、平板、海浪形等樣式。此外有配門檔條,T型卡條,U型卡條等,統稱門套線。

平型門套線

A型門套線
03-3 屋室木門尺寸計算方式
(1)門扇寬度
毛坯門洞寬度-15mm×2(裝載位)-27mm×2(門套主板厚)-3*2(左右門縫)
(2)門扇高度
毛坯門洞高度-15(裝載位)-27mm (門套主板厚) -(3+5)(高低門縫)
04 結語
木門這種單品實則具有充足的品種和構造細分,品種與構造又組合成更多的風格,以滿足不同的用戶須要。緊隨工藝技巧、革新資料的成長,并且不停更迭的市場需要,相信木門在將來還可有更多的選取,締造更多的也許。
專家 / 羅利民 編纂 / 言朢
假設您對本文章有所迷惑或是有其余思想,請關心“魯班園”公眾號進一步討論。